折叠
微信扫码
扫描二维码访问手机站
在线客服
客服
暂无联系客服
用户中心
意见反馈
展开
返回顶部
承德优安矿山设备检测服务有限公司
设为首页
收藏本站
简繁切换
网站首页
公司简介
检验检测业绩信息
项目收费表
资质荣誉
组织结构
诚聘英才
联系我们
网站首页
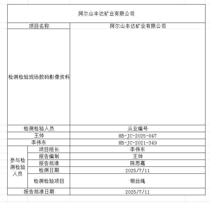
阿尔山丰达矿业有限公司
分享到:
点击次数:55
更新时间:2025年07月14日11:19:17
【
打印此页
】
【
关闭
】
上一条:
滦平泰腾爆破工程有限公司
下一条:
河北峪耳崖黄金矿业有限责任公司
发表评论
查看评论
文明上网理性发言,请遵守评论服务协议。
首页
上一页
下一页
尾页